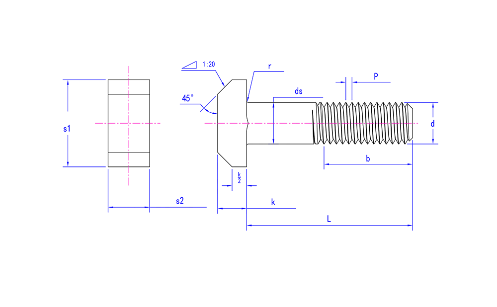
DIN 261 T-skrutky z nehrdzavejúcej ocele
| Vlastnosti hlavy | Štandardný krk typu T |
| Vlastnosti tyče | Posuvná zapustená drážková koľajnica |
| Základný účel | Rýchla inštalácia a odstránenie, vhodné pre aplikácie s vysokým zaťažením |
| Výhody a vlastnosti | Dizajn v tvare T pre jednoduchú inštaláciu a demontáž |
| Typické použitia | Vysokozáťažové aplikácie, rýchla inštalácia a demontáž, automobilové, železničné, strojné zariadenia. |
| Kľúčové ukazovatele pre výber | Tvar T-hlavy, dĺžka skrutky, priemer, typ závitu, povrchová úprava (ochrana proti korózii). |
| Požiadavky špecifické pre daný priemysel | Železničný priemysel: používa sa na upevnenie s veľkým zaťažením a musí odolať vibráciám. Vysokozáťažové vybavenie: vhodné pre situácie, ktoré vyžadujú rýchlu demontáž a vysokozáťažové pripojenia. |














